banner

PCB Air-Cooled 60k rpm 500 watt

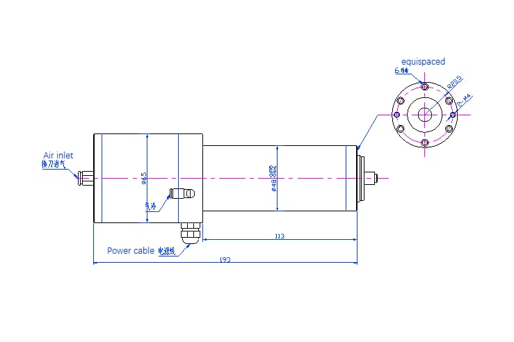
60K rpm Air-cooled

Model no. PCB-04860

With a rich experience of spindle motors, NK Automations provides High-frequency spindles with precision ultra-high-speed ceramic bearings for précised CNC machine applications like Sheet Cutting and PCB drilling. The spindle is small enough for light machines, but powerful enough to get the job done.

Also, it has superior quality, enhanced reliability, smooth motion and balancing stability.

The spindle structure is an ATC mechanism, and the tool collet is 3.175mm

PCB-04860 with 0.5 kw and 60,000 rpm High frequency Spindle with Ultra high speed ceramic bearings has a robust construction and is highly précised and is in accordance with set industrial standards.

Application:

  • Denture Forming
  • Glass Ceramic
  • CNC PCB Drilling Machine
  • Milling and composite routing (CFRP materials)
  • Glass grinding (mobile phone/tablet screens)
Share:

Request Quote

Enquire Now

Get notified about engineering tips sales, new products, and events.